Skip to content
About us
Services
Steel detailing
Structural design
Inspection and reinforcement of buildings and structures
Consulting and examination of projects
Design according to Eurocodes and AISC / ACI
Portfolio
Contacts
+38 (063) 378-51-10
Telegram
Viber
Whatsapp
+38 (050) 646-30-97
info@pro-kr.com.ua
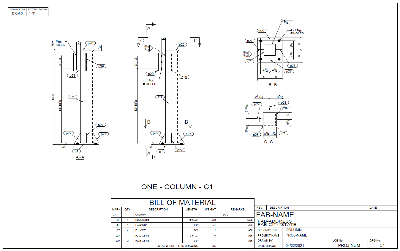
Steel shop drawings for Dunedin market, Florida
Dunedin, Florida
Leave a request for the first consultation
Your Name:
Your phone: